Industry application
Energy storage
Application Overview
Energy storage Application Overview

Energy storage can achieve the grid connection of new energy power, maintain efficient and safe operation of the power grid, and balance power supply and demand, especially in the large-scale new energy power generation process. The energy storage system is conducive to peak shaving and valley filling, enabling the smooth output of unstable electricity such as photovoltaic and wind power.

Marching Power has become the preferred manufacturer for energy storage solutions (ESS) in terms of efficiency, innovation, performance, and cost. Core Changzheng's discrete SJ MOSFET, SiC, VD MOSFET, IGBT single transistor and IGBT module, as well as highly integrated Easy 3B, Flow 2 and other products provide the best solutions for various energy storage systems.


Energy storage
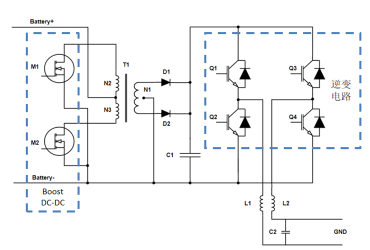
Application System Diagram
Energy storage Application System Diagram
Energy storage
Application Topology Diagram
Energy storage Application Topology Diagram
Energy storage
Recommended Products

IGBT Discretes Product List

Part Number VCE(V) Ic(A)@100℃ Vcesat(V) @25℃
typ
Eon(mJ) Eoff(mJ) Package Datasheet
MPBQ100N120E 1200 100 1.7 8.9 6.2 TO-247 plus Download
MPBQ75N120BF 1200 75 1.9 4.6 4.4 TO-247 plus Download
MPBL75N120BF 1200 75 1.9 5.4 4.1 TO-264 Download
MPBQ75N120E 1200 75 1.58 4.97 3.42 TO-247 plus Download
MPBW40N120BF 1200 40 1.85 1.6 3.0 TO-247 Download
MPBW25N120BF 1200 25 1.9 1.6 1.9 TO-247 Download
AMPBW50N65E 650 50 1.6 1.2 1.12 TO-247 Download
MPBW50N65EH 650 50 1.54 1.14 1.26 TO-247 Download
MPBW40N65EH 650 40 1.5 0.81 0.85 TO-247 Download
MPBW40N65E 650 40 1.5 0.94 0.85 TO-247 Download

IGBT Modules Product List

Part Number VCE(V) Ic(A)@100℃ Vcesat(V) @25℃
typ
Eon(mJ) Eoff(mJ) Package Datasheet
MPFF600R12MBF M3 1200 600 2.2 151.3 88.6 EconoDUAL 3 Download
MPFF450R12KBF 1200 450 2.04 88.4 43.7 62mm module Download
MPFF400R12KBF 1200 400 1.9 27.8 38.9 62mm module Download
MPFF300R12KBF 1200 300 2.05 13.7 21.7 62mm module Download
MPFF200R12KBF 1200 200 2 8.8 13.6 62mm module Download

VD MOSFET Product List

Part Number VDSS(V) ID(A)@25°C V(GS)th(V)@250μA RDS(on)(Ω)@VGS=10V 25°C max QG(nC) Package Datasheet
min max